1 Einführung
In der Automatisierungstechnik kommt es immer wieder vor, dass
ein einphasiger Wechselstrommotor konstant auf einer vorgegebenen
Drehzahl gehalten werden soll. Die hier vorgestellte Schaltung ist
in der Lage einen einphasigen Verbraucher – es kann neben
einer induktiven Last auch eine ohmsche Last sein –, welche
mit bis zu 240V Wechselstrom betrieben werden kann und eine maximale
Leistung von 1500 Watt hat nach einem Vorgabewert (Sollwert) konstant
zu regeln. Das Bild oben zeigt eine mögliche Anwendung der
Phasenanschnittsteuerung. Im dargestellen Fall wird eine Frässpindel
für eine Hobby-CNC Maschine auf konstanter Drehzahl gehalten.
Als Antrieb dient der Motor eines Winkelschleifers aus dem Baumarkt,
oft schon zu haben für 15 Euro. Über das graue Kabel gelangt
das Signal eines Hall Sensors zur Phasenanschnittsteurung. Im Inneren
sind an der Spindel vier Magnete angebracht, sodass man am Ausgang
des Hall Sensors pro Umdrehung 4 Implulse messen kann.
2 Funktionsweise uns Systemaufbau
2.1 Steuereinheit
Der Kern der Steuereinheit bildet ein PIC18 Mikrocontroller. Seine
Aufgaben bestehen darin, den Istwert (die Drehzahl des Motors) zu
messen, den Sollwert einzulesen (es handelt sich letztlich ebenfalls
um eine Messung) und basierend auf der Regelabweichung die Stellgrösse
(Zündzeitpunkt des Triacs) nach erkennen des Nulldurchganges
durch die Triggerschaltung verzögert auszugeben. Abbildung
1 zeigt den prinzipiellen Aufbau des Phasen Controller Boards.

Abbildung 1: Systemaufbau des Phasen Controller
Boards
2.2 Sollwertvorgabe
Die Sollwertvorgabe kann entweder über eine eingestellte
Spannung, über die RS232 oder ein pulsweiten moduliertes Signal
erfolgen. Im letzten Fall steckt die Information in der Breite des
Pulses.
Prinzip der Sollwertvorgabe über ein pulsweitenmoduliertes
Signal
Der Sollwert steht in diesem Fall im Verhältnis der Breite
des High- zum Low-Impuls. Die Frequenz des Signals hat in diesem
Fall keinen Einfluss. Bei der Dauer des High-Pulses/zur Dauer des
Low-Pulses sind Werte zwischen 0..1 möglich. Der Zusammenhang
wird in Abbildung 3 noch einmal grafisch verdeutlicht. Aus Sicherheitsgründen
ist die Firmware der Steuereinheit so ausgelegt, dass bei einem
Puls/Pause-Verhältnis von 1 die Spindel ausgeschaltet wird.
Auf diese Weise wird sichergestellt, falls am Sollwertgeber eine
Fehlfunktion und damit verbunden eine unerwünschte Vollaussteuerung
signalisiert wird, vermieden wird. Abbildung 2 zeigt die
Abbildung 2: Funktionsweise der Sollwertvorgabe
über Pulsweitenmodulation
Netzsynchronisation
Um eine optimale Regelung des Sollwertes zu erreichen muss die
Regelung synchron zur Netzfrequenz erfolgen. Dem Regler muss also
bekannt sein, wann eine Sinuswelle den Nulldurchgang erreicht. Man
benötigt einen Triggerschalter. Aus Sicherheitsgründen
sollte die Triggerschaltung galvanisch getrennt sein. Eingesetzt
wird dazu ein Optokoppler, der die Steuereinheit vom Netz trennt.
Die Triggerschaltung führt eine Vollwellengleichrichtung durch
und erzeugt jeden Nulldurchgang einen Impuls vorgegebener Länge
Delta T. Abbildung 3 zeigt das Prinzip von der Netzeinspeisung über
die Vollwellengleichrichtung bis zur Erzeugung des Triggerimpules.

Abbildung 3: Funktionsweise der Phasenanschnittsteuerung
Leistungsteil
Der Leistungsteil ist as Sicherheitsgründen wieder galvanisch
übe einen Optokoppler von der Steuereinheit getrennt. Die Last
selbst wird durch einen Triac geschaltet.
Istwerterfassung
Der Istwert (die Drehzahl) wird von einem Sensor erfasst und als
Drehzahlwert umgerechnet. Zum Einsatz kann beispielsweise ein Hallsensor
kommen, der bei jedem Umlauf der Spindel einen Impuls erzeugt. Um
die Auflösung zu erhöhen können beim Hallsensor auch
mehrere Magnete angebracht werden. Pro Umdrehung werden dann je
nach Anzahl der aufgebrachten Magnete 2, 3, 4 oder mehrere Impulse
erzeugt.
Parametrierung
Um eine möglichst grosse Flexibilität bzgl. der anschliessbaren
Geräte zu erreichen, kann die Steuereinheit über die RS232-Schnittstelle
parametriert werden. Zu den Parameter gehören dabei der P-,
I- und D-Wert des Reglers, und andererseits die maximale Drehzahl
bei voll ausgesteuertem Triac. Abbildung 4 zeigt die vier möglichen
Parameter.
Parameter |
Beschreibung |
Parameter |
| P |
P-Anteil des Reglers |
$Pxxxxx |
| I |
I-Anteil des Reglers |
$Ixxxxx |
| D |
D-Anteil des Reglers |
$Dxxxxx |
| n_max |
Maximale Drehzahl des Motors |
$Nxxxxx |
Abbildung 4: Parameter für das Phasen Controller
Board
3 Aufbau
Die Grundlagen der Schaltung habe ich aus einem Elektor-Heft aus
den fühen Neunziger-Jahren. Der gesamte Steuer- bzw. Regelungsteil
wurde aber komplett überarbeitet. Da sich die Preise von Mikrocontrollern
bei solch einer Schaltung heute nicht mehr wesentlich zu Buche schlagen,
wurde ein PIC18F252 verwendet. Dieser Mikrocontroller eignet sich
sehr gut für solch eine Aufgabe, da die vorhandene Hardware
den Aufwand für die Programmierung erleichtert. So verfügt
der Chip über einen USART, genügen Timer und Capture and
Compare register zur Puls-Pause-Messung und zur Herstellung des
notwenigen Timings.,
Die Schaltung lässt sich sehr gut in Mischtechnik aufbauen.
Bei meinen Prototpyen habe ich, in dem Teil in dem auf der Schaltung
die Netzspannung geführt wird mit "through hole"-Komponenten
gearbeitet. Der Steuer- bzw. Regelungsteil ist aus SMD-Bauteilen
aufgebaut. Von der Schaltung habe ich leider kein Layout, da meine
Freeware-Eagle-Version auf 80mm x 100mm begrenzt ist. Vielleicht
hat aber jemand Lust, das Layout zu erstellen, damit man es zur
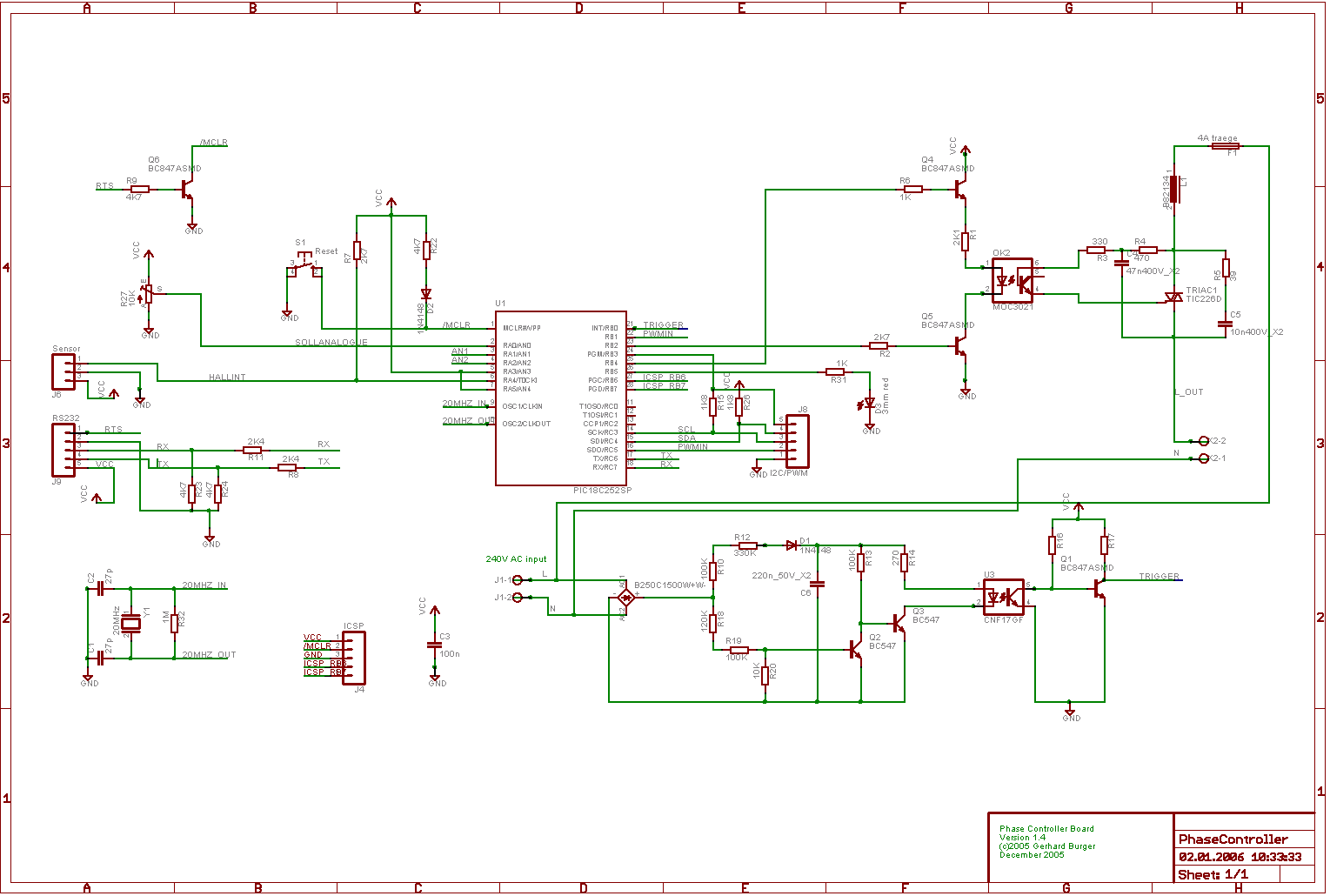
Verfügung stellen kann. Abbildung 5 zeigt den Schaltplan des
Phasen Controller Boards. Ein Prototyp des Pic Phasen Controller
Boardss wurde allerdings bereits auf einer Lochrasterplatine aufgebaut
und funktionierte sehr gut.
Da die Spannungsversorgung des PIC ohne Verpolungsschutz aufgebaut
wurde, ist darauf zu achten, dass der 5V+ und der GND Eingang nicht
vertauscht sind. Anderenfalls kann dies (in vielen Fällen)
die Zerstörung des PIC zur Folge haben.
Bei der Dimensionierung der Bauteile ist darauf zu achten, dass
sie genügende Spannungsfestigkeit aufweisen. Im Leistungsteil
habe ich 1/4Watt Metallschichtwiderstände verwendet. Kleine
SMD-Widerstände mit der Bauform 0805 oder 1206 haben sind meist
nur für eine Spannung von 50V ausgelegt. Bei den drei Kondensatoren
im Leistungsteile wurden X2-Typen verwendet.
Der Ein- und Ausgang für dei serielle Schnittstelle wurde
mit eine Pull Down- und einem Serienwiderstand ausgeführt.
Dadurch ist man in der Lage (MIT entsprechendee Änderunge der
Software) anstatt der seriellen Schnittstelle z.B. Taster anzubringen.
Bild
anklicken zum Vergrössern
Abbildung 5: Schaltplan für den PIC Phasen
Controller
4 Inbetriebnahme
Die RS232 ist auf dem Phasen Controller Board nicht vollständig
bestückt. Um die Kompatibilität zu einem PC herzustellen
ergeben sich zwei Möglichkeiten.
Herstellung der Kompatibilität mit Hilfe des MAX232 Schnittstellenbausteins
In diesem Fall sorgt der spezielle Schnittstellenbaustein MAX232
von MAXIM für die richtigen Pegel zwischen RS232 und Phasen
Controller Board. Der Aufbau des Adapters ist in Abbildung 6 dargestellt.

Abbilung 6: Aufbau des Adapter zur Herstellung
der RS232 Kompatibilität
Je nach vernwendetem Typ können auch kleinere Kondensatoren
gewählt werden. mit den 1uF liegt man allerdings auf der sicheren
Seite. Abbildung 7 zeigt links das Prinzipschaltbild des Schnittstellenbausteines
MAX232 und die Vorgabe zur Dimensionierung des Kondensatoren für
die Ladungspumpe.

Abbildung 7: Adapter zur Herstellung der RS232
Kompatibilität
Da die Schaltung sehr einfach ist, lässt sie sich z.B. leicht
auf einer Lochrasterplatine aufbauen. Abbildung 7 zeigt eine mögliche
Varinate zum Aufbau des RS232 Adapteres.
Bestückungsseite der RS232
Adapterplatine |
|
Rückseite
der RS232 Adapterplatine |
|
|
|
Abbildung 7: Adapter zur Herstellung der RS232
Kompatibilität, aufgebaut auf einer Lochraster-Platine.
In der dargestellten Version wird der Schnittstellenbaustein vom
PIC Phasen Controller Board her mit Spannung versorgt. Weiter wurde
der RTS-Ausgang des PCs zur Erzeugung des Reset-Impulses für
die Programmierung verwendet.
Herstellung der Komaptibilität ohne speziellen Schnittstellenbaustein
Das Phasen Controller Board ist so aufgebaut, dass am Eingang der
RS232 ein Strombegrenzungswiderstand in Serie zuschaltbar ist. Die
RS232 kommt dann ohne weitere Bauteile aus. Abbildung 8 zeigt den
Anschluss der RS232 wenn kein Schnittstellenbaustein verwendet wird.

Abbildung 8: Anschluss der seriellen Schnittstelle am Phasen Controller
Board ohne Pegelwandler
5 Software
Entwicklungssoftware
Die Entwicklungsumgebung ( MPLAB C18 ) zur Programmierung des PIC
in der Sprache C kann man als Demo-Version bei Microchip
downloaden. Hier findet man auch einige weitere Beispiele. Selbstverständlich
können auch andere C-Compiler, die für den PIC Maschinencode
erzeugt werden können, verwendet werden. Eine Auflistung möglicher
Entwicklungsumgebungen findet man hier.
Programmierung des PIC18F252
Nach dem erfolgreichen programmieren, compilieren und verlinken
des Codes kann das Programm auf den PIC programmiert werden.
Eine einfache Möglichkeit, die ein Maximum an Flexibilität
in der Programmierung mit sich bringt ist das Aufspielen einer Bootloader
Firmware. Firmware Updates können dann sehr einfach über
die RS232-Schnittstelle erfolgen. Mit dem Tiny
Bootloader von Claudio Chiculita habe ich bereits sehr gute
Erfahrungen gemacht.
Bevor man mit der gesamten Schaltung arbeiten kann, muss man zuerst
den Bootloader auf den PIC brennen. Ich verwende dazu den PIC Brenner
von SPRUT.
Bei der Programmierung sollten u.a. die Configruation bits des
PIC richtig gesetzt sein. Eine mögliche Konfiguration, mit
der die obige Schaltung funktioniert hat ist in Abbildung 7 dargestellt.
Configuration bit |
Settings |
| Oscillator |
XT |
| Osc. Switch Enable |
Disabled |
| Power Up Timer |
Enabled |
| Brown Out Detect |
Disabled in hardware, SBOREN disabled |
| Brown Out Voltage |
2.5V |
| Watchdog Timer |
Disabled-Controlled by SWDTEN bit |
| Watchdog Postscaler |
1:128 |
| CCP Mux |
RC1 |
| Stack Overflow Reset |
Disabled |
| Watchdog Timer |
Disabled-Controlled by SWDTEN bit |
| Watchdog Postscaler |
1:1 |
| Low Voltage Program |
Disabled |
| Code protect |
Disabled |
Abbildung 7: Mögliche Einstellung der Konfigurationsbits
zum Brennen des PIC18F252
Nach dem erfolgreichen Programmieren des PIC mit der Firmware musst
die LED auf der Schaltung mit einer Frequenz von ca. 1Hz blinken.
Anschliessend kann die serielle Schnittstelle an den PIC angeschlossen
werden.
Programm zum PIC uploaden
Eine Beschrebung des Programmiervorganges findet man in den entsprechenden
Unterlagen der genannten Hersteller.
6 Links
Weitere interessane Informationen findet man hier:
7 Download
| Nr |
Type |
downloadbares File |
Beschreibung |
| 0 |
 |
Schaltplan
des PIC Phasen Controllers (Eagle Schematics) |
Schaltplan für das Pic Phasen Controller
Board im Eagle-Format |
| 1 |
 |
Schaltplan
des PIC Phasen Controllers |
Schaltplan für das Pic Phasen Controller
Board im GIF-Format |
| 1 |
 |
Software (ist hier in der nächsten
Zeit verfügbar) |
Kompletter Source code des PIC Phasen Controllers:
Dieser lässt sich mit dem Demo-C-Compiler von Microchip
compilieren. |
| 2 |
|
|
|
8 Haftung
 |
Haftung: Achtung,
in diesem Projekt wird u.A. mit der Netzspannung experimentiert.
Es gilt hier mit besonderer Vorsicht zu arbeiten. Für
etwaige Schäden an Leben und Material übernehme
ich kein Haftung. BItte lesen Sie dazu genau den Haftungsausschluss. |
| |
|
|